Hersteller: SERTO AG

SERTO Armaturenanschlüsse SERTO SO 40021 M-Programm, Messing Grösse: 22 ‑ 18, Art.Nr. : 016.0214.755

CHF 7.90

Artikelnummer: 016.0214.755

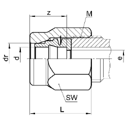
Type:SO 40021-22-18

d:18 mm

dr:22 mm

Druck (PN):25 bar

M:28x1.5

SW:32 mm

L:27.0 mm

z:17.5 mm

e:16.0 mm

Gewicht (kg/100):10.400 kg

Info:mit reduziertem Klemmring

Rohranschluss:metrisch

Material:Messing M

Werkstoff:CW617N (Messing)

Einzelteil (Art):Klemmringe / Anschlussmuttern

10071494

Artikelnummer: 016.0214.755
Dieses Produkt hat eine Mindestmenge von 2

d: 18

dr: 22

SW: 32

L: 27.0

z: 17.5

e: 16.0

kg/100: 10.400

*
*
*

d: 18

dr: 22

SW: 32

L: 27.0

z: 17.5

e: 16.0

kg/100: 10.400